首頁
公司簡介
產品中心
返回
鏈條成品展示
鏈條圖紙
鏈條樣本
應用領域
新聞資訊
聯係方式
首頁
公司簡介
產品中心
返回
鏈條成品展示
鏈條圖紙
鏈條樣本
應用領域
新聞資訊
聯係方式
產品中心
鏈條成品展示
鏈條圖紙
鏈條樣本
您當前的位置:
產品中心
>
鏈條樣本
搜索
礦渣輸送鏈
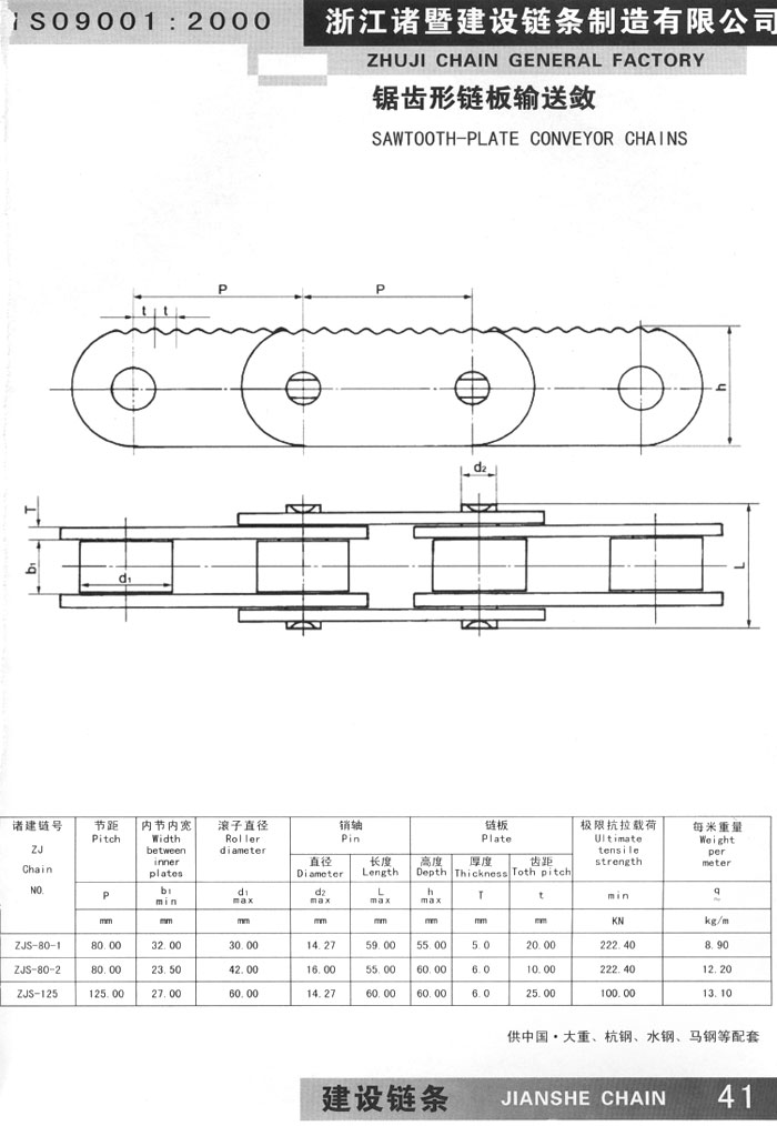
鋸齒形鏈板輸送鏈
重載平板運輸鏈
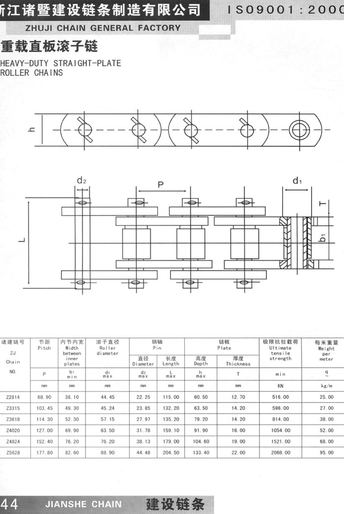
重載直板滾子鏈
銷軸鏈
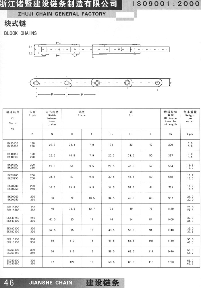
塊式鏈
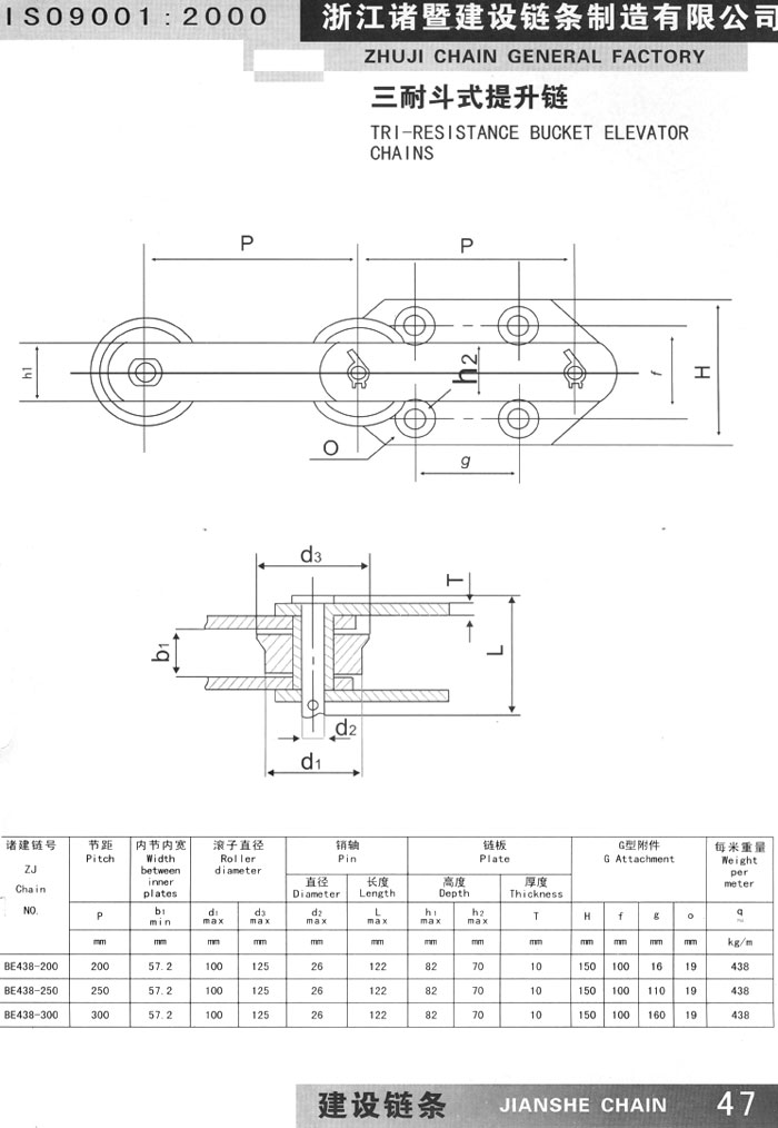
三耐鬥式提升鏈
三耐P35滾子鏈
鬥式提升鏈
hat重載平頂板輸送鏈和鋼鐵廠
首頁
<上一頁
1
2
3
下一頁>
尾頁