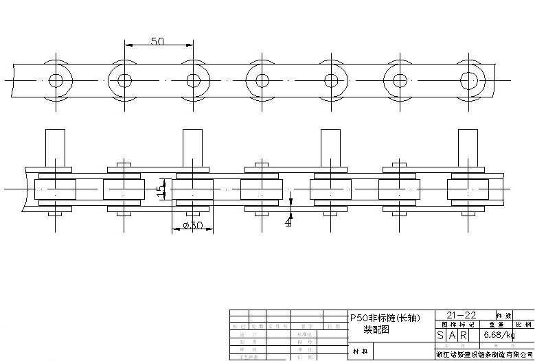
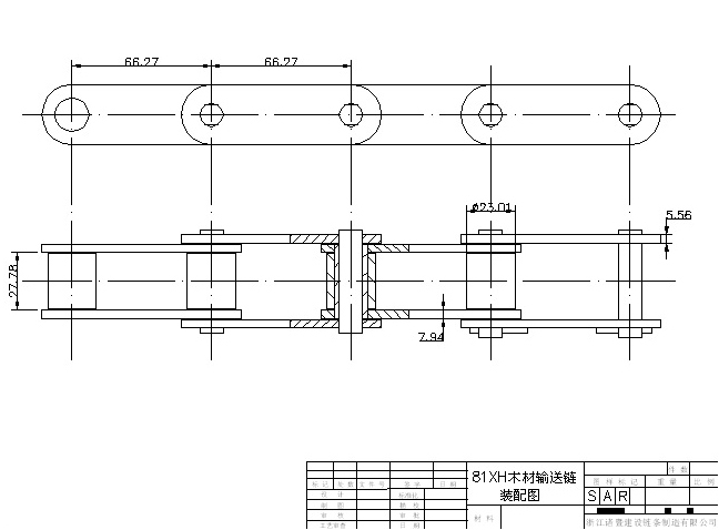
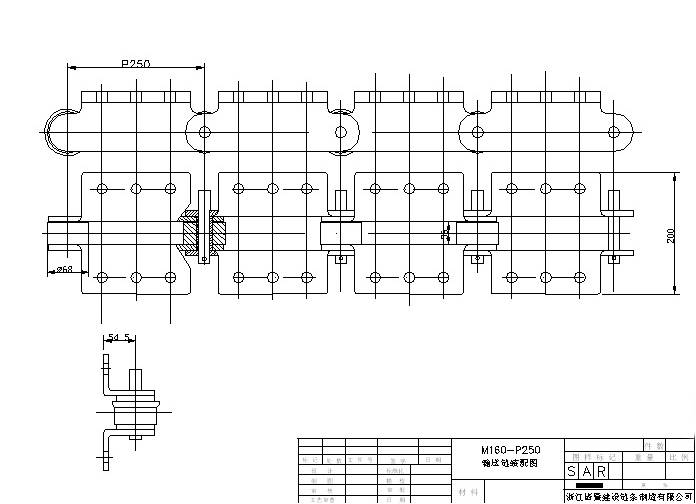
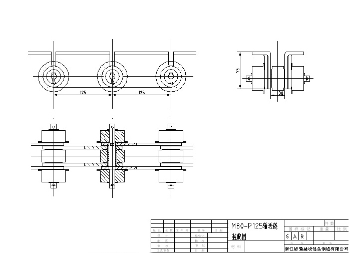
您當前的位置:  產品中心 > 鏈條圖紙