首頁
公司簡介
產品中心
返回
鏈條成品展示
鏈條圖紙
鏈條樣本
應用領域
新聞資訊
聯係方式
首頁
公司簡介
產品中心
返回
鏈條成品展示
鏈條圖紙
鏈條樣本
應用領域
新聞資訊
聯係方式
產品中心
鏈條成品展示
鏈條圖紙
鏈條樣本
您當前的位置:
產品中心
>
鏈條樣本
搜索
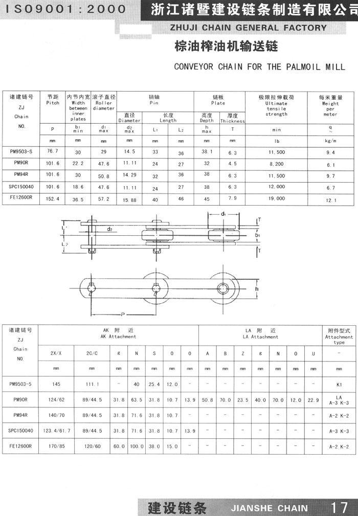
棕油榨油機輸送鏈
棕油榨油機輸送鏈附件圖
棕油榨油機輸送鏈
製糖機械專用鏈條
製糖機鏈
煙草機械輸送鏈
鋪路機鏈
木材輸送鏈及附件
鬥提機鏈和輸送機鏈
刮板鏈
垂直輸送鏈
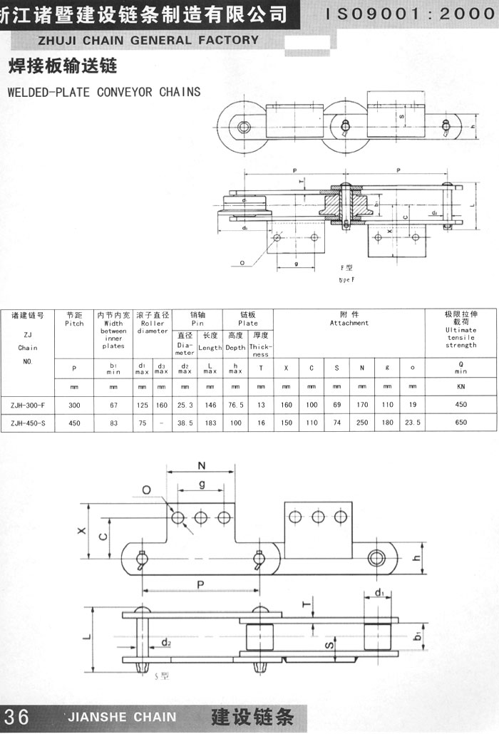
焊接板輸送鏈
首頁
<上一頁
1
2
3
下一頁>
尾頁